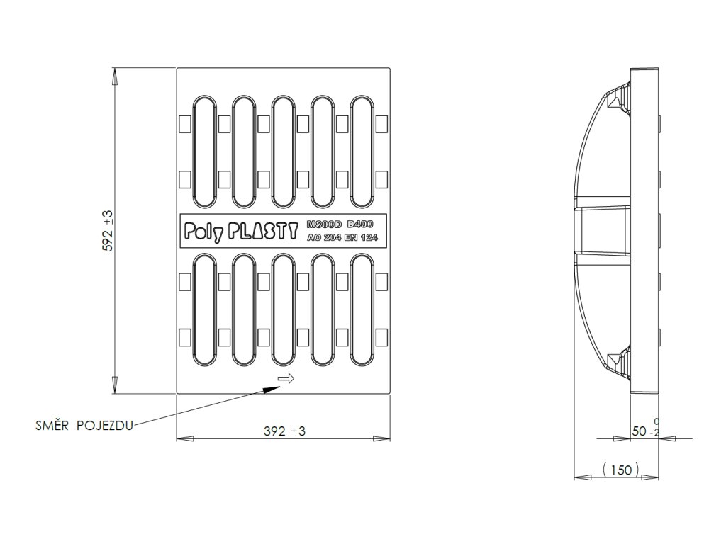
Plastová mreža pre uličný vpust Rovasco M800D 392x592 mm D400, nosnosť 40t
Plastová vtoková mreža pre uličný vpust Rovasco M800D, 392x592mm, je určená na zabudovanie do vozoviek pozemných komunikácií, únosnosť mreže je 40 ton, vhodná do rámov 400x600mm
| Kategória: | MREŽE |
|---|---|
| Hmotnosť: | 18.5 kg |
<img alt="" src="data:image/png;base64,iVBORw0KGgoAAAANSUhEUgAAAmEAAAK9CAYAAABsCbsfAAAgAElEQVR4nOydeVxU1fvHPyiCy6hAQGJMkkQZkKLmAl/NsdzSBPzaaKVfxbTcEzGXMhOzRaNAMrVFv6GZsUSBpOKCDpZiigQKuIUCg4POkCAMsswwz++PmTvOdofBJPr1Pe/X676Uuec+5znPOee5zz3n3nPsiIjAYDAYDAaDwfhLadfWCjAYDAaDwWD8L8KCMAaDwWAwGIw2gAVhDAaDwWAwGG0AC8IYDAaDwWAw2gAWhDEYDAaDwWC0ASwIYzAYDAaDwWgDWBDGYDAYDAaD0QawIIzBYDAYDAajDWBBGIPBYDAYDEYbwIIwBoPBYDAYjDaABWEMBoPBYDAYbQALwhgMBoPBYDDaABaEMRgMBoPBYLQBLAhjMBgMBoPBaANYEMZgMBgMBoPRBrAgjMFgMBgMBqMNYEEYg8FgMBgMRhvAgjAGg8FgMBiMNoAFYQwGg8FgMBhtgH1bK8BgMBitxdKlS7Fp0ybExcVh5syZmDVrFoqLi5GSkoLc3FyEhYXh9OnTcHNz45Wxbt063nNeXl4IDQ1F9+7dzc7t3LkTZ86cQUFBgT7toEGDMG3aNH16hUKBrVu3AgBCQ0PRr18/IxmFhYVISkoCAISHh5vlk5qaitzcXADAggULLJZDoVBgz549SElJ0f8mEokgFovh6+trlr6kpARxcXGQSCQAACcnJ4wePdpIb0vpc3NzUVVVpZcvEokwYsQIS2Yzu9ZQL8NrmjsPAJmZmQAAX19f3nosLCyEQqGAm5ubxTJzeRUXF8PJycmsHgD+dmBLORkMPlgQxmgd1EpUKGqgMv3drhOcH3RCRzvuB4JaeQuKmkbYdXLGg04dYWd6zf8bmlB5Ngk7jpXBrvd4zP+3Lzq3oTZUX4WblXUgM5v/Ffw1tti5cycAICUlBV9++SX279+PuLg4REZGshsjg8H4+0MMRiugyo4ib4Bg6fAOoRU7TpJMpSGiGsqOEml/n5FMsvush6auksplMpKVV1Kd5j4LN6WxgHaEeBH6LKe06/X3QWAT1VXeJJlMRuWVddQy9VUkS56rs/lcSpap7oM+LeC+28I67u7uJBQKCQBFREQY/W74t1wuJ6FQSGKxmABQYmJis7IttmGDQywWG6WXy+V6+ZYOkUhEUqlUn97Pz48A0MKFC83y5uQIhULecnNyDcvJIZFIrOoukUhsTu/u7m6kNxFRVlaWkQ6mR3R0tFXbmuZnaoPExESj85GRkVbz3rJlC68N+eqLiCgiIsIoTWBgIMnlcqM01uwoFArN0jMYtsCCMEarYDUIAwgQ0ujYs1TbqkHYXxmINNHt45HURyCmT3MrWxgw8VFKyTO879E2bRmEtYYtrCORSEgsFhvdYIuLi2nTpk0W00ZGRlq8YVvC8OYdGRmpPxYuXKg/V1BQoE8fHh5uFFRIJBJ9noaBmGn6gIAA3rwNgw/DcpgGSaaEhobqZScmJpJEIqHExEQKCAggAOTl5WWU3svLiwCQn58fxcXF6fXmgh0/Pz8j+3K/u7u769OnpKSQSCTS65WSksJrW9MyGNrF1JaGdjDM28/Pzyg/w3o1tbmlYM80jZOTEwGg0NBQi3URFhambwOGAV5YWBhvORkMPlgQxmgV7gZhQpoQtY+ys7MpOzubzmR+SytHakcs4PEmZdy+bSUIs20kSD/apagh41DDhkBEU0eV5fdjpKyJ6mQXKDv3EklbPGrFR/NBGFd2c/u0PAjjl9VS/owtNKSqqSCZrIJqVBorv2mJi4ujuLg4ioyMpIKCAgoPDyeRSKQPfhITE/WjN4mJibyHtVEM7iZradSMC8QMz1kLnAxHdrhRKMNAxHCkie93DsNRMr6RLVtGvDiio6N5gznunKEsLnixNEJGRPqgxzSw4tPDVB9DGaY25fI2DLqzsrLMZHCjjFlZWWZpuDrn0nDBW0FBgUW789nSsE4t2YHBsAYLwhitwt0gzJtmJJcanKmjSzu4p8e5lCyrtBCEqanm0k8UFRZEAr0D9qBBYVGUdqnq7k1dVUaZsXNokIBLIyDvkQvp08wyUlEdXYpfQWKRj+6cD4nEcynquO5mq6qg3Pi1JB7ooXeggkGvUFTaBarREBEpKGPFQO3vobuoqEmXZ9Nl2hWqHS0QhCWTTGOjrkbYIPvlN+jdhWISeQu0Mr1FJA6LoeO31ESkIdWtXIpf8xINFPDlaSEI01RS7qdirZ4+8ym+qNZGWa1pCzXJ0xZr0wsm05pNK2iCrsyCQYtp1/lrdH7X4rt17DONojLL9MG2SCTS36gDAwONRq2437kAiX9U1vzGaoi1IIwLBrhzhjdkvsCOu+kbBmmW8uBkG44+WdIrOjpaPypkGvhZGh3i4AJQLnDggjpL06LcebFYrB/14+zLl97QFnwYBmFc/lzARHR3upXLyzQI4yuv4d+mQSUnk6tz7hrD0UwusLUUXFtqK9baCINhDRaEMVoF/iDsNmVHjbYahGn+OEIr+wgs3iwFoz+l3FoNEd2m3NhQg5u9wSGYQO+fvEa5seNMzvWhuWnXjYMRs6M/zYq/TI2koptpS8gZIEBMOy7VERGRRpZMYQIQ4E/z0sps1NXMOs3L/vFH2tTfRK5gMaXJ1aSpyaZPg70sBxT64Mo0CFPS9bTl1AcgCJ6jd45ISUVks6zWtMVdPW08nJdQ2k1tGGYYhHE368DAQEpMTDQLwri0ptcAoNzcXN62zHeDlcvlejlcwMWNjPEFTkREYWFhBBhPd3HXGY4acVOJ4eHhZjJSUlKMgj1OpumUpqltIiMjKTEx0WJ5ueDE2vShIdy0XVxcnMXzxcXFzQa5hkHYli1bjAIrbkTKsL5MpyO9vLz006ymQSQn23QkjpO1adMmiyOCRJYDUmtlaS4gZTD4YEEYo1W4G4R5kGjFl5ScnEzJyd9T/La7Ix0Ys4MuNZm+E6amP9KXaW/4ghm041INaaiRKtJXkVAfUKiIVNkU5a11il7vHCelhkhTl0efB2ufYD1WZNBtnik5TUk8vSQAAc40aOVeKqppJFVlPsUvCTS6yWv+SKdwD20g+VL8VdIY6ua8hNJu1tumqwWal60iy9ORDVQS/4ougBTRyrTLVKNqoMqLCbREFwA5z0ujmxrDss+i7XtjKFgAAgIpPK1EN5Jkqyxb9L1XWxjqGUhL4n+jUtk1OrNtmk4vLwqOOkpFsjK6EL+IPHS6RmXXEJFxEMZ3s7U0OmE4SmPphXZDmgsKDUeZuJu3pZe/ObhRHEN9LU2lWbvpc/lwMvimxAoKCoymKw0PoVBo80iPNbvc6ygikfmUK6Ad0TQsU3R0tFkQZlpm7jAMfrnzfO2CC0itBWGG9WhLfVirdwbDEmyxVkYrUw7JR69h8uTJmDz5Bbw4/yPsK1ICggl4PzIYPmYtsD2cR7yNQlkZrp59E0PrcnHoh+/wdXwmpIbJ7Bwh8HAGABRHL8XLSz7Af/cr0O+ddFyVyZDzZhC6WtSnCRXnTiBNCQDjsXjuGPQWdIC9ky8mzXoJQQBQeRqnL1XDzmUgJv5nIIAipEsKoKDbKDhxEpUAnKeOwmA3R9t0tUDzsvlWj6nAuWMnoQSAkFcwd4IPBPYOcHp8PGbN1y7JULkvG5fukME1X2NO8FLsVQLO897CmxMe1q1NY7us1rTFXfri6af9IfTwQsCgADwIABiEkOBA9PZ4CI8+2svqMhcLFiywKZeysjIsWrQIgHaNp08++cRmDU1xd3eHn5/fPV/PMXToULi7uwPQrnt16tQpAIBQKLS41Aa3NpZIJDL6F4B+XTFAu3ZWaWkpEhMTIRaL9XkAgFQqxZQpU1BWVvan9b8feHp6wt3dHVlZWQDuliMwMNAsbWZmJqZMmaI/LxaLAQAFBQX63xmM/w+wIIzRygjgLZqMGTNm6I4wzF35KX785b9YEehqcU0wO/taXE6KxNSBT8AvYDjGTZ6J5XFZxona+yBk3SoEewsA5Vns3bwacyaPQuBTQzB63nZk32riWW+sAYqyUm3g4R0AX6Ejlysc3B/CowAAOUoUtQBc8NTYMfAAUJkgwW83ruDXvecB+GPqhP5ws7NRV4s0L9siTbdQVnATAOA9zBdCfbqOcPf01P5XegOK6iaLl1cm/IRj0vp7kNWatrCGC5y63r/lDG/fvo2BAwdCLpfD3d3daCHQ5oiMjIREItEfkZGRkMvliIyM1KfhArLCwkJeOcXFxQC0i7caMn78eADaNc92794NAJg9e7bZ9ZmZmZDL5XpZ69atw9atW/UB1o4dO8yuEYvFSExMxM2bNyGXy7Fp0yb9uQ0bNhjpzulnKd/MzEyUlJQY6c+XnktnKLs5goKCAAB5eXn6QHPo0KFm6cLDwwFo6+TkyZNITEyEXC6Hk5MTkpKSkJqaalN+9wuuvu9HQM7434IFYYxW5kH8a3EMdu7cqTu+xucbFiO0nzvPSsFqyNOjELpkO85gNJZsS8Xx3Eu4lr4GxrcsR3g8sxzJuYXIzYhH7IqpGCgAACWK9r6Dl5b9gKsaS/Id4OzeQ/vfWzdQYRCskFqFBgBAB3RyaA+gHbo9NQ5z+giASgkO/vcHpOYpAednMWHwg7CzWVdLNCebh/bd4d7bRat+WQWq72oPtapR+1+BAxzsDSV4Ifjd97C4jwCo/BaRmySQU0tltaYt/jpCQ0P1AdjZs2fRq1cvm6/19fXFiBEj9MfatWsBQL+yPACMHTsWgHZEhi8Q279/PwBg0KBBRr9zQVhubi727t0LwHIQtmXLFv3/uYVpuYCQyzszMxNlZWWYMmUKpkyZYqSLm5sblixZoh894q7jVpI/c+aMWZ5lZWX6VfC5oIvTf9++fRbLyf3u7u7Ou0q9KQEBAQCAr776CnK53GiEzxBulwDD825ubvrrc3Nz9SNoCoXC6Frub19fX6NRNsN03OigpVE4UxQKhX5XBFvLyWBwsCCM8TejHtKLeagEgAfH4D9zgjG838PQyKWoMEilkR7Flo8/wabPD+IPn1C8vjEeZxQl+GmF9sagPH8TlRaDsPZw6fUo+gFA5T7EHy6GGgBwB1cO74X2tvEkBj+mDU7QrS/GT38KwFnEvP0RfgHgMfM5BLnZ26wrL1Zl89EdvZ7sDQCo3PUjDpfqRrVUV3D4u2Pa/wcF4LEH2htcMxYz5yzGkrfEcIYSF2NisP3XW6CWympNW/wFLFu2TB8wrV27Fp7caN99xHBaceHChWbnp0yZog96TAMM7m+JRAKpVAo/Pz8zHRUKhdE0nVgsNjo4JBIJPD09kZSUhKSkJKNAkYMLNIRCIQAgIiICgHYa0HSKkjsHQL81EKcvl4epbG6bn5bsXMAFMZy+fCNLnI254IeDCzbd3Nz0tisoKNCXp6ysTH+Nu7u7kX25PBUKhX5K1JY2wpXT3d3dqA4YDFtg2xYx/ma0QyeBbn+6ot3YuFqFQQ4XkbRpl3YKEY1QqQl2jneQ/8FyfF4pgLfkHGaJHoYj3cL5Y1pn6zy6D4Tt7WDn4AABACUu4HjqXriNHYvhfYOx7KUvMeO7i4ibMwOa/OfxWEMeftyWACUE8Jn/Hzzn01GnT3f0fXYM/N+WIB8AMBD/mTgQLna268qPNdkA0B4OnTpo/3vhOFJ/cMfY8UHoO2kmXvrgML6r/AJzXqhDvtgHDWf2YltqMYCBmL94NHzaATeM8uoM78nz8da2FCzPOoQPP/weIQlzbJbV+rZoXfLy8hAdHa3/2zRw2LRpk8X9Au+Ft956C+Hh4ZBIJPD399ffmLlpTEAboJmOmri5uUEkEunTjB492kw2N4oGANu3bzeTMWnSJKSkpCAlJQVr165FWFgY4uLisHDhQkgkEn1Qw+2d6eTkpB9tGzp0qD7/gQMH4uWXX4aTk5OR3ob7TU6bNg1bt27Vv4cVFhYGLy8vVFVVYc+ePfpgc/Xq1TbbbvDgwQDuBlemo4Uc48ePR1xcHFavXo3CwkK4ubkhKSlJn+eECRMAQF/+cePGQSwW6+vcz89PHxxyaVasWIHCwkJ9Wb28vCwGVeHh4XBycgJgPApm6zuJDIYRbf1lAOOfCf8SFaaYr5ivkR+jtSMNv+jqT9OXhNEggAAfmrojn+qonmQZGynY23xJBMHI9XREpt0qRyPbS/N9uDScLhpSyY7Q+8F9TK71oEHzdlN+jdpYxdqT9J6/TobHm5Rxu0l/yjZdrWBFNlEjydKWko9eNveFIU/ZBcNo3q483Tpnlr4MNZTnQy/tukSNNslqTVtY/oL1bvux9JvlryNNv8Az/L2l2/cYwqWx9IUft6yD6TlLX+5xh6VFXC1dZ+0rPL4lMLhlHqD72lAulxutn9ZcueVyuX4dM9ODb/kF0+U+uINvEVdDLC0RYfg1p+maZJzt+Mrl7u5uVBdyudxsayNTvbitrJqzjbX209wXtgwGH3ZE1HaPp4x/LvoNvNujk7MrnDryzXxb2sCboK66iuxf8yGr64SefQfhqUc6QXmzEnUEk3TFyMspRElVA4D26OLug75P9YGHPr8mKEtzcCJHilpNZ/QKHImBHrqX8dWVuJp9BudkSmjgCGfvvhjk5wmBvekbWRrUV1Wgsq4J6NAVbq4CgyFkW3Xlw5psAKRE6emTyLmuhMaxFwLHDoCHvZ1xvrVNgIMLvPsNgJ+wm/56ixt4Uz2qLNrRuqzWtIVFPbn2Y+k3OKCrm4uFejKGe4E9MDAQjo6OFqfkOEQikX6azRTD6T/T6SkuD6FQaPYCeWFhIQ4ePKif2vLz88PYsWMtvmhuKT9LozBcfu7u7han+RQKhb6chvpmZmZi7969kEql+vIGBwfzTrcZjhTaondSUpLRBwNisdiqTS3py5X31KlTej253zjZfn5+RqN/mZmZ+nfkAgMDMX36dLM8FQoFNmzYAKlUCqFQiFWrVlnUa926dSgoKIC7uztWrVplZhvTKVcONgXJ+DOwIIxx37Gzs35zZDAYjH8y7LbKsBX2Yj6DwWAwGAxGG8CCMAaDwWAwGIw2gH0dybjvsKF4BoPBYDCah42EMRgMBoPBYLQBLAhjMBgMBoPBaANYEMZgMBgMBoPRBrAgjMFgMBgMBqMNYEEYg8FgMBgMRhvAgjAGg8FgMBiMNoAFYQwGg8FgMBhtAAvCGAwGg8FgMNoAFoQxGAwGg8FgtAEsCGMwGAwGg8FoA1gQxmAwGAwGg9EGsCCMwWAwGAwGow1gQRiDwWAwGAxGG8CCMAaDwWAwGIw2gAVhDAaDwWAwGG0AC8IYDAaDwWAw2gAWhDEYDAaDwWC0ASwIYzAYDAaDwWgDWBDGYDAYDAaD0QawIIzBYDAYDAajDWBBGIPBYDAYDEYbwIIwBoPBYDAYjDaABWEMBoPBYDAYbQALwhgMBoPBYDDaABaEMRgMBoPBYLQBLAhjMBgMBoPBaANYEMZgMBgMBoPRBrAgjMFgMBgMBqMNYEEYg8FgMBgMRhvAgjAGg8FgMBiMNqB9ZGRkZGsJ10iPYutXyTh+8iROcse561B388BDD3RCO00pjm7dhdOOj8O/R8fWUqNl1F9Ewtvv4NvqxzHiCRe0b5VMGiA9uhO7r7niqUe6w+6+yibUX/4eby9PQvWTg/GEc4d7lrRu3Tp8//332L9/P+Li4iAWi3H79m088cQT6N+/P7y8vDBlyhTcuXMHJ0+exP79+yESiczk5OXl4aWXXsLt27cxdOhQo3O3b9/Gc889h7y8PIwbNw4AoFAosH37dhw8eBB2dnbw8vIyuiYzMxM7d+5EYWEhBg0aZJbXF198YXYuMzMTs2bNws6dO/VHZmYmnJ2dzeRz7Ny5E6mpqRbLdD+ZMmUKMjMzjez8v0kV8hK+QrLc4z70Cw2Uecn4NPkGhE89gu5/tpO12C/Uo/SnjQiPKUCPfw2AZydrz7v3s9x/LzTSo9i6+xo87kcd/F1RF+OndasQk/8A/jVYiE4Wy9kA6dE4fHW6Pfr694CDNXmaUhzd+j2uefjhke72raPzvWJ4z3aXt4KeLek3/wxatYQaeQ5ilv+A89Ua7Q8NcpxPWI0RA2fgo6wKkEaBnJhY7C+qufdMmi4jYfGbSLhcfx80VqIg7n3scJyE14O90dLwpelyAhYvTsDlpuZSqiDP2Y2YHAU096gpL/XnEbciHo7T5iC4d+c/JWrt2rVwdHSEo6MjEhMTAQCbNm1CXFwcRowYAQBITExEVFQUNmzYgLVr11qUU1VVBYlEgq+++srs3KFDhyCRSJCbmwtAG4ANHDgQKSkpKCgowJQpU5CUlKRPv3XrVohEIhQUFGDDhg2YMmWK/typU6cQEBBg8ZxcLodCocCCBQv0R5cuXSASiZCZmWlR786dO6Nbt24ttBrj3qlB0f7Y+9QvNKgpOoLlMTmQ/2lhLfcLJJdg04dSDF/0MoY4Nxey3c9y/73QyHMQc1/q4O+KGvKML/BhaSAWzRoMZ95AUwV5zrdYvr8Izd7tNArkxOxGjlx1f1W9H1Al8nd8iWPSO62iZ8v6zT+DvyDM7ouQ+RH4t4cuq5VzMGr6eCxJOIt5g1zNk1M9qm5Wog6d4PygEzraWThn3xVurgKt8lQD6YFTQJjaIKEG9VUVqKxrj65uLhDY2/gI1ijDNc1kfDjnKTi3b/ljG9VIceAAEBbTjM42CbuX6wiNpWXQzHgTcwa62vC0rrOTurMuDzWUFRWogQBurgIU5OVh1apV2Lp1K7Zu3QqxWIyAgAB9AMaxZcsWODo62qRhWVkZPD099X9nZmYiMDBQ/7dEIoGnpyeOHTsGAEhKSkJMTIx+dGjr1q1ITEyEWCxGWVkZBg4cqJcZERGByMhIrF271uwcALi5uRmNMonFYnh7e2PhwoXIz8830/WvGpFKTEzE1q1bAQCfffaZyVnjOjFrB7p2Ut/RGQ86dYRxd6nCzco6oJP5OTPUSlQo7sDe2RVOHU2fzdRQVtwGnHR96V7btBFcHwU6WcrTqj62lMPJSp731y9o7dyIjnpdm3C7oiMmfr0Rosf4RrYIauUtKJTt4fyghbP1VbhZWQ/7rq5wFdyjm77HerrnvNVKVCiUwJ/R2cguNvh/2xSz2oe05W2CwM0FAnto86+BxTZiVtdUjYp24/H15iA8JmjPn85YCG+ftRXrdWTdr7ekZszK0b4fXs85rz2pLm/maut9/N76zT8QakVU2VHkjbmULFMZ/PoHHV8TSJiRTDJVNkV5e9OM5FIiUlNNQSKtnNCHABAgIO/gjZQhqyciDalkR+j9YO6cBw2at5vyK7Mptr9A91sfmpt2nUglpYz3J5M3QABIIFpO8QVVpNFcoV0hfWjMtjxq0GmikR+gcJ+R9F5WhZW8Damnq7umkWDM55TfoNEJkVF6eCAJdfkBIAgWU5pcZaKzkETh8VRQoyaiGsqOEpF3VDapSEMq2SF6Z2QQzYq/TI1mZeWuq+XN2/+9k1SrqaKChLdogvddewS/f4RkKo1ZvahzY6m/4DlavHwq+QAE9Kew7fso9Z3nSMD9vSOPhotEJBQKKTAwkIRCIUmlUoqOjqa4uDgiIgoPDyeRSGR0SCQSs/wkEgkBoPDwcIqMjDQ65+XlRVu2bCGRSERERJGRkfr/ExGlpKSQu7s7ERHJ5XJycnIyuj40NJS2bNlCVVVVBIByc3PNzhERJSYmGsk1xFQmR1xcnF7fqqoqWrhwITk5OREACg0NJblcbvE6kUhkpEdkZKTeZpzM0NBQ4rpfVlYWicViEovFFB0drb9OU5NHu+YN09WJrs3XqIlISbmx40gweRVt1J/X1lmNhohsbgvXKW1uIE1e8wGFi4TatN6T6f0MKalI1076raTtX7xKPhBRVHaNlTZtiJrkaYt1ehkc/WMpV02kqTlPCStD9H30bp6llDzDmzzE82khnz6CxZQm1+WnzqXY/v7afk9qqimINyhHMM2d8TTBO4qyVcTrF5qu7qIQwWTalq/U6a4iefoK8vH/gLJqVfx+QZ1Lsf19aPLbkTRvkIf2vM+rtCO/ijSWdDVEU0UF8ctJJOBkzqIZT3vo/EE9yTI2UjBXd4LRFB5/XluvRjKs+bNbVurpOqXN7WNcLxBQ/9hcUvPmze/3/N87SbWkppr83XftIBhG83Zp26IqO4q8DergyDsTqM+seCpqNCmQPI3mOk+mNTHhBnbh8/+2lsdKH1LnUmx/b3pu8RKa6iMgQEA+YV/Q4dRIGqnL3ycsziAtX13r+uLcNNJ6AxMb+kyjqMwyUul8Pp5bSust9VlDVNkU5a3tb0T1JDuynkb2mU/xRbXm8g3ah61+/W5anr5krbyG6azoyd/HrdmomX7zD+UvmHBV4Oq5szh79izOns3GqfTd2B5fjMAnhehumExzFT+uXo2jfu8hv1QGWdEPeKVmG9amXkET5MjYuAyfebyN86XXUXo+CgNS38PmX1zxyv5krPEKwpr0/dgwqhsu71qJkG964K3Tv0NWmoc9w/MxJ2wbfq3tiSHBT+LQN5m40EgAGiE9moTtrhMwzv8PK3kb4oheQ55B0KE0ZFyoBQCQ9Dh2bu+O17PKUJ6+Bl5ea5B+8V2M6n4Zu+bPxTc9V+J0URlK8zdjeN5qhMWehlIvj6AuP4L10yJROn0bPp3igw6qCzzX5cGFJ++Z43zR8dperJ59En4f/YJSWRmKMmaiZvVmpF6uM6sRUjeiWnkBJe5zkS4rw4X4f+HgnHDscV2FPJkU53c9hdQ3duG2ihAcHIyTJ0+itLQUnp6eqK6uRnFxMQAgNDRUP7UXHBwMiURidUQsNDQUhq8gFhYWwsvLC25ubvrfFixYAIlEgnXr1iEpKQmrV6/G9OnTAWhHyQICAoxkBgQEGE1n9uvXz+xccwQEBBhNeXIUFxejoKAAALB69Wrk5OTg8uXLICJUVVUhJCTEojyJRIKqqir93wUFBXqbFRcXIzIyEgEBASAi7Ny5EyEhIXB3d4efn7ZLPXIAACAASURBVB927NiBBx98EAp5LvatmIP19f/BoaIylF7ag1fqYzBpxX6UE0HdWA9l8in8MfozFMpKcH7XUBxcsh2SiiZobG4LTWiskyM55md0jfgJpbIrOLncGXEvrENyaYO2neRtwcYT/vg0azOm9r5mQ5sGgHZwHroYkuxsZGdn48yRrQjz8cLol4fgkXYNuPbjRsw++gQ+yi+BTHYJGa/UY/Xan/TT+OUHiuFiqE/ISuy6fEfXbhvRqCZtQlKjsboOdY1NgPI0YsNWI2/4ZuSXlqHou0mwO52j0+cOr1847TIQwUFn8U3GFTQCAElxdOdeuM4chb4dr/H7BVKjsfoKkg/WY/TXpyArPYtdz5zGks0/owIw11WPBspftyFsTj6G78lDqSwX34V0xunj5QAIqsvfYn7I9+j51iEUyUqQvycIeXMiEPvrLWMxdp78/uwJmZV6egBDI75DdnY2srNP4ci2OfARPIuXg4Ro4s27ltfvzRzni07l+7FiUgzqZyeiSFaCS/umoX79HKzYJ4W+9OoyZKyfh0WlYnz/6Qvo3cFknEPdiLrKZMTs7Y6IUyWQFR3Acpd4vPBGCkob+Hyi9fK0Iyl/H9Ko0VhdhJ9LemFB+kXILmzHswfnYsoeV7yfVwbZ+a34V2oMvjpRoWtnfHWt64t1jVDr6+8A+nz0i7b9LgY+CI1Bxi1d4z7wG2os9FnLNKA8IwrTFpVi+vcfYkrvTlbbh61+/URlk/W+ZK28hul49WxvpY9btxF/v/kH05oRnnYkzORpGH1owspE7VOM4UiYpoZK83LpkqKeSFNHldLTtGNGH93TofZpxyPsS/r16h9Up1FRjeImVdY1GUfjTRdoxxhvGrPjAjXpdNDcTKN5zoG05vgfpCmJp5cEEyg2t4ZIc5XiX+pDQbG/UYPVvE0wvI4aqCT+FRIEfUq5DRqjp76mSztoDMS041IdZw26mbaEnIVr6biymrKjRCR8dRWtGikkj/B0+kP3NGT1uprfefPW1JRSXvZlUqg0pKm7RdLfdtAMZ+4pxVK9zKL40kYrf88lv6ARlJiYaHRtZGSk2WgWEZFQKLT4O9HdkTAiIgD60bItW7ZQZGSk2SiVWCw2ajNZWVlEZHk0KzIyksRisVEepuf4ruUQiURm5TS9XiQS6fUwLZMphmXkysPZJjIykoRCof6cn5+fUd5SqZQiIiJImv0lhQmepjXpl0kmk5FMJqNraStJ6LyM0v+o0j5Vj9lBl7iGLkumGbpRZ9vbgnbkyXleGt3knsYbfqPYIG8K2XWFGrOjyBu6/kLNtWnzEVdtkhJKCw8in3nJVKLSEJGaakrPU/YlBamoieoqS+m3Ha+Qs3cUZav49PGiMTsuUIPpyLref5SQ8vhaEjovobSbXI9VUsG2f2tHwhqs+YVy435k5COs+AVVNkV5exjIVJEsea52hJ/4ZgGIuJkAozI2nqdtoz3IO+o4FewQG9erpozS5vmTcM1xUppI4vNndTbVk4ZU19MovM8gmpd8lVRUR5es5c3r9xpJljyPBP7vUHqxTNdWL1HaikHkvCSdbmZHkbcwjN5e9RwJPJZT+h88IxyyZJoBf5qXVkYanX4NuZ9SEKbR13s/vYfyEGlkyfx96OYpivL2oqnx17T5qbIt/K27N1mta90I14xkklEtFWwLIYTsoqucWjW5FB/1FWWUVljts0aosinKuz+9+nY4jRT0p/D0cp1NrNdRlY1+PVmmMm+ftpbXLJ0lPa31cWs2qrfSb/65/AUjYdOxI1cKmUwGmUyG8srfkLZBDF+ByRtLdh1gfycPu5c9h0fbdYKzcDI+OHFTd/JBiF5/FzMU0RjS+wF08pmA5XFnIDeNljW1uFUE9HDqov/iwM7FA94ucpQoamEnHIyQiUVIyPwdDdLTSE1/CvOefwIOVvM2we4hBIYE4VzCz7jQUIas1N8wat44POlg/GSnqbmFIrjAqSs3A28PFw9PuEhvQFGtfYqQfnUAV4QDINiZgH1X7zR/XY0Hb952HdvjTt5uLBv9ONp1coFw0gc4YfV9SQd0MHrfwfRv25k1axa8vb15X8w3ZOHChUhJSQEAHD58GKGhoUbn161bB4VCgeLiYhARJBIJQkJCeF+evx9UVVU1+wWkRCLBm2++iZEjR2LkyJH6Eb170cvwC9GCggKjd888PT3xySefoAdu42flcawf9xh69uyJnj174pGJGyGtVKK2Qdfuezihq4Ue3NK24OLtAReu6h0egOejQP7N27pRYE94umu/XLalTRtBVcjb9gZmFIixZ2MIHra3A9AOHe1rkLd7OUY/2h2dnH0x6YOjMFTPXJ/2KLpVa+Wl9SZUK25A6uIJDxdON0c4u+tGWK36BRWEgWMw8dxBZF6ohDTrENJHTcXzTwqa8UkA0NlIpm3UQlEiNy5jh+5w9+gMQIXqWwrjerXrDg9vV0hLFKg2kcTnz+xtqCdS5mDb/DdRMHszNk56BPZQo8Za3rx+rwGyqxehzH8X47x66trq45j40RlUVtaiAQCk3yPhigvGCtKwc18R+JuiK7w9uHeB7ODg/hAexXVcv1R2D+UBmmRXm+lD7eHYob3Bu0emfxtiS13XQHqxGN7DfCHkhAj6Yeobc/CMUDdDwNNnzfkNXyVcg3CsBjt3ZuCqioDm6gjA/fPrtrZtS3pa6+M22Oh/jL8gCOsCJ/ce8PDwgIeHB3rwvIhI8sN4d/wmSAPfwf7SG6isy0fCPG5qiQD3EVj1/VncunYeP382Bd32L0LIRyeMHZOdPRy6AQ2qprvD4A13UN0ogHMXB4MA6hB+OnYQ6eOex4hHHJvJ2xQHvdM+9tMhpKb3x4sjepkZ0s7eAd3QCJU+UCQ03FGi0VmALo5aCwhXRmPH9k+wPuQM1n+cjlI1NXOdI0/easjTP8L4DTIErtuL0vJK1F1JwDwLL/zeb5YtW4bi4mL9i/TNMX36dBw+fBgAcPLkSaPpQ0Ab7CxYsAC9evUCAIwYMQIjRoyARCJBYGAgCgsLjdJzQYyvry8AGJ03DXAsUVZWhtzcXKMpUT6OHTtmdBCR2UcK94t2XV3gjanYll2if4CRXS1Adt5qjOlh7dXalreFxuo72pslAFADam8DHgJHs35qS5u+Sz1Kf4yEeHNPbN8+D0910z10kQzp787HBukQrNtfgPJKBa4kLISheub6tIO3i7Ubgh26OLnAo1GJO1yAiibU1yo5xa36BX0wc+wgjqXmYdyLw/BIu+Z80r3SCU49nCyUsRFAO3Rw6Ag0qHD3+bIRd6ob4OzcBWa3KB5/1mw9qa/hx+XzsbnnOmwPH4xudlob2lvNm8/v2aOrixsQvA3ZXDuVleFqwW/Ie28MPABA+Do+3/EFotePQPr6rUgr5fuSvQHVdxr1f1F9LW6jO7q5dLmH8jTThzzufekefrrA1dMZt8oq7t6XSIG8/YeRV9HSLwgHYeXnX2J79FsISY/Bx2nFUDdbR22BBT2t9nFrNlLz5vJP5m+zCIemogz5lb54ZmwgHhO6Q1BXgGP7L2lPNhXgv2OGYOaeUnT18sewscEYO9gNN6vrYFRt7Xth8GQh9u3Zj3PKJgANkB1LQ5IyCE8/6QLAAcKRkzD9wkq8EHYGU18eBqFdM3lbwE44DC9PL8HSF+YjfeokjBSar/rS3mcQJvsfx56Uc1ASALUUx344BGVoEJ7UfXrr4NodXTr0xr/fXoWnEj7GpoxytGvmOst5N6KirBiVvk9j7PA+EPbogrpsCfYX3Z+64SMzMxPR0dHYsmWLzddwo0DLli2zGMD4+fmhrKzM6LeysjL4+vrqv3I0PF9YWAihUAg3NzcIhUL9O1yG5/hQKBSIiIiw6StIkUhk9N5YUlISHn744WavA7RLZ/AREBCAdevWGenk7++Pz9N/x4SgHBw4UY6Obj3g4dYev+9ZCtFaCeRWX5doeVuQJqXhmKwBgAqVZw/g+wwfhAwSmn1da0ub1tKE6uzPMWfmL3h2/SwEdqhEeXk5ym9UoV5TibJ8JXyfGYXhjz2MHoIaZB/7GYbqmevzGCYM9NQ5q2pU1TTq8sjAD0UA0B5d/YMQovwJe/ZdQT0BpMzHT9+f0CnejF+wE2Lky2NxYenLCEsfhpdHCmGHlvsF23CC//BhUMYnYd/VWhCaoDx3CN9nSAF0gc/gp+G/Lxkp56pAIKhlJ/FDUg1Cn34CzmayLPszq/XkdBvZm5ZiZsZQrF80GB0UN1BeXo4bVe3waDN5W/Y9jvAaOBxBR4/ixPUOcPPoATfHIuyZMwVrJeXa0UsHZ3Tv0gUP/zsCsU8dxOpNfG34PJJ+OAmZmgB1Bc6mpSEjcDiCgkfdQ3nqYec1gL8PtcqSGZ3hM0SEB3cl40CRtm6rf/0a86fuwrnqlmbYBa7dO6PDw8/j7di+SFj9BTLkHVrYPprDUl9qKRb0vCG30set2chkNJ0UyNufgv15Clh1ef/P+dusBNfe51ksmvUl5ogn45BfR5QV1MKtxwO4GR+FmCEbMHnlc/jsxWcw9AcRetdmI+m6CDt+HApnu2I4dCvCrrVLgZUfYNlra7EsYwYCApIwuU8NDmZ2wn/ivsbEntonHzu3/pgw1R+fp06E+GkP2DWb92YsH24ySmL3IAZPeBbOnzviVfFQuOuevOzsHdDt5i6snW2PlZvm47UtryBjgggBPzyLPjWnkdnuRcTFj0NPOw3uftxrhw7eIVj9QRqGhm/D8ydWW7kOACzl3Qk+Y17CrOjlEE9Mh1/nchQondHDpwjx736OIXFLMbwV1lyZMmUKhEKh0cv2gYGBWLp0qdXrRCIRb/AmFoshEong6OgINzc3ZGZmoqysTD9dKBaLERQUhE8++UQfFHGB3dKlS7Fo0SIAMDsHaIMyw7XDCgsLUV1djbNnzzZbVrFYjClTpmDLli1wc3PDokWL9B8MmBIYGIjIyEgsWLAAmZmZkEqlvHI3bdoEkUiEgwcPwtPTUx+wBf97HpyefRy/TXoOg34ciQE4r2vzwXikHVDJK7Fzi9uCoNNRvON/FFuHAj8fkGPQ2l2YOaA7kGMqelAzbZNDhiObP8NhZREOvxiAz/W/z0Wy7COMWTQG0XNexMRDT6Bz2VUo3brB52Y83o1xwVh0QP8eWYh4/F/YOhz4+YAGL+yIwyt9BbCvewavj/4Us8dPQHpgFxTf7I7Hn+4EALBzfwbLvzqKF8MGwn/bMAilF6EWeuhuTE4Y0oxfcBs8ClOdY5H6ajCedte6Rat+YcC0e/yE3h7uYxfhq1GzEObdH9smeECaWQfhAC8A7dB5yCxsWfYzJgQMxg+TH0XNwVy0+89mxE8UWszPkj+zWk830/Hm8lQoAbzov/muoBnJkMU1k7dFv2cHh74z8GXseUwaFIQfxU8COcdwfXgMfpzUG+0MY9YOPhCvXorvh65H9PMD8OEz7iZl6opOP78J/6GbMRTnceBSANbum4YBrq54+F7KszMEr3y5mqcP/X5PtWeddugWOBufLX4NoQEj8N3YrriYfAP+n+5CyCOOuHJPMjvDWxyOD77/N8KjR+PEB1bq6JztUu2f4O9L94aBnrGB2LlwDKJftdTHhyBuKb+NjBxbUykOvz4Jn8/LxsV+bn+fYOU+Y0dErRdkqpWoqFBDYLrey90EUFbcglqgXSeE6stxPisHVxud8Fjf/nii6w2cyLyGroOHoZ9bO1RdzcGv58qh6ibE43398KhrR9ihCcrSHJzIuY0e/xqOfm6OoPpyXMg+h8tVDhD6BaDfI84GFahbh6be0WjNFOt5WxjoVStRoWhAR8O1ZEiJ0tMnkXO7B/71zJNwsyfUl19E9rnfUdXhIfgN6ItHnDrodahC97trvBjJ47vOSt7QoL48H1lni9Ho9Cj6PvUYupafQeaVLhj8zJNwM3wvwLReeP6e/NIkLFqwwGikiHsHasSIEUYjOBy+vr5mI0slJSWIi4vTvzOWl5eHlJQUhIWFoVevXigsLMSZM2cwc+ZMfR5xcXEoLi5GQEAAXn31Vf104+3bt7F69WoUFBTAzc0Nq1evNprSXLduHSQSidm5wsJCsy8gvby8MH78eN6pyHXr1qGgoEC/UO3WrVtx+PBhVFVVISwsTK+vKQqFAq+99pr+XTNfX1+4u7tjxIgRyMzMhFwuN7LRqVOnEB0dDQAQCoVYunSpbtRPg/qK35F79iIqLLSfCnWXu+sMUT2q5PXo6O6Ejna2tgUpfpg5Eiue/Aan/t0OZ89VwKH3AAQ+6WG5XQBanay1TS5NVQUq60yebO10a//hDsrPn8bZqw1weqwvnnqiC8pPnMSVrv0Q1KsD1B27ArJc/HquCl0e64unnvDQ50/KUuScPg+pyhV9hwSgJ2pQ39FFt86QClXXziGn4CbsHu6PQN+uUFYBTrp+bt0vqKGs+AP1HR8wWneJ3y8Mhbddrd53adNWQV7fEe5OHWHXnO9TV+JaXi4Kyu3w8MBB8O1af9cf0B2UX/gN5y5XoYPQFwP6ecGJ970ey/6Mt564tbZMvL4dt5Zcc3lb9D0AqB4VV/JwtrDC+Dq1EhUGdcBnZ5T/gJk9N+PJrJ34Ny7iXIUDeg8cjCc9OusCtXssD28fMr73WP9bY3LOsK4d0WTaF9XVkBbkIO8a17490NGuuT5r1DiM1+UzrWO+OrLRr3N/8/cla+W1R62RXXj0fKAdFBb7+AA8088d9hZtZKqjGtWnNkH8y0jse2MgC8IYjP81TIOwfx5cEJaAi/9gJ8f4fwAXhGWn4Y2BgrbWhvF3QFOE5CXbUb94NaY99s9tE3+bd8IYjL8TMTEx2Lp1q9V3yv7/0x4OnTqhm4P9/87q1Iy/J/YO6CToCId7/EKb8Q+knTcmb/7wHx2AAWwkjMGwSExMDKqrq21adoPBYDAYjHuBBWEMBoPBYDAYbcD/1HTkyJEjMWvWLIwcObLF11JlFjbPfw1v/vC7lcUGAaAB0qPb8XFCnslWLhbQlOLolh04Km1oLmUz2JpnC3Rra+6bbe4D6mL8tHYe5m/OQiXfI4umFEe3bEZCXhVPAlu5D3V0z7o0QHp0B7YcLbWyMOqfRPU7fnjzNX5b3jc7/jlSU1ORmpqqX5xXu8F6PUp/eh+z5m/DqUq+rWb+agiqqyl4c1Y4Np+q+Pt8yq+6hIS3NuNoeS0qT32OZf/Nw50/IU4jPYotH3+PPGWrtUxzlHlI+Hh7y31QK7dhQ1vYahfTdIWFhfD398eiRYtsvx/a4gfb9B7TTN421udf3db+p4Kwe4YU+GXTevzoLsbrwd6wvsyfCvKcb7F8fxFqmpOrUSAnZjdy5C1dyM8UNW7lJ2PdMSnMd4q8l3R/A+6bbf4sasgzvsCHpYFYNGswnPleWdEokBMTi/1FzdZ6M7Sg/fBxz7qoIM/ZjZgchYUgrB6XE97E4oTLuPfw4w6K4j/E2hv/4rclVSJ/x5c4Jv0zt+w/T0hICEJCQvDhhx/iww8/xIIFC0ByCTZ9KMXwRS9jiJUlX5ouJ2Dx4gT9XpitiuoK4t+OxY3hr2DWENe/z7t9HR7F6FFyLHlRjGmv5mHwqMfR+U+I08hzELP8CIpq/sIgrKYI+5d/23IfdN98gWXoVj52rDsOaR3ZbBfDa+4NG/3g/fBf90wz9zcb6/Ovbmtt/EGUGsqKCijtne5+tmtyrgYCk0+vm0P3eXy9g/ZzeAOhx44dQ2ZmJu8q51RfhZuVjejofPfTXK0q9egwZD2+HTMAHiYvjvJeoz2JqpuVqO/obKF8tmLyuTL3STY6GZSvC/q9fsCs0ZvrZikdv71gKV0d0MlSWY1z1n6qrGxvQWZzcnTlFTTnLDg57dHV9HN5m66zlL8FW1A1KtqNx9ebg/CYwVZb1urdapswTmnFTkYCtXVu39VCX7Bef7br0hxq1EhP4QBeQIyp/jXgqQPTtlsFWb0IsWuC8bjptmUc7fvh9Zzz5uWzWM/32gYsFU+JCsUd2OvstHPnTgDaZUwiIyPh5uaKmROGYeLXGyF6rLu+L2vtWw/7rq76JReoRooDB4CwGJ68bMjfCCt+hCpuon7UO1gzxReCZovfnL+14GcstjlbaA8X0auIveCEgl4TEfJwR4u6WPTvVv2mBvVV8lZs7wY2snjadMkN6/xpfSzUQ/t+ryNH58TVpfzXGNrP8BpAu5TQsWPHUFhYiM8++6x5ve/BD96P+5+l/sWPpfubDfWpUAI2yW8lWm9bSu2m2zDavFtA/WOzSZa2mJwnv0Ux4aNJoNvUO/j9IyRT6bZurcmjXfOG6c550KB5uym/ppau7ppGgjGfU36DbudPjYzSwwPJ/72TdDs3lvoLJtPbG+fRIIE2L5+wOMqv0W4Ym5iYSIGBgQSAhELh3U2T1bkU29+HJr8dSfMGeWj19HmVduRXkeZ2Bq3wENF7WZW6Muk2rh2zgy411ZMsYyMFewt010yjqMwyUnEbuj63lNbry9CfwnbkUY3pHseGm49TPcmOrKeRfeZTfFEtqXNjqX+/lbT9i1fJByKKyq6imoJEWjmhj96W3sEbKUNWT0RKyo0dR4K5aSS3Vh7DdEREKillvD9Zt8m6gHymxlCmrN6sJjU15ylhZcjdzdi9J9P7GVLzzc3laTTXeTKtiQknkcBUR+tyzMqblcFrG2O9QQLRcoovqCKN5grtCulDY7blUQOnu/wAhfuMpPeyKq2Xg9cWJjYjnnpXZVOUt5CeW/62Bbu3xE6GGwJrSCU7Qu8Hc3UuJFF4PBXo2jSvzi3RxQht3tqN6zWkkh2id0YG0az4HDodO07fjwVz00iuqaL8XYt1fQ0kGLSYdunkm7fdGp4+bWEzZ3Uuxfb3p7lp183r2SAP3jbA5S9YTGlytblMI65T2txAmrzmAwoXCY3axAiRiEQiEQmFQoqOjqaIiAgTuSbtQDCM5u3Ko8rcWOrPtS/BYkqTZZvkbdie+PNXcekmr6KNFv2Immryd9+tX13+Zj6G1CS34m8t1ZXVNqen3qo/rjKSYVzf/G3BtL33o6lRx0im0ug2dp5Ay9fPNffvvD7vD6rKeJM8/D+grFpOx6sU/5K/0WbuHJqa8xRvaKO50+hpiCgq+wblxj5H/d7eRl+E9Sd4R9GpbCttjLf/tUQfU1vctZNhO7y74XWV1fZi2icSExNJKBTq74fR0dHW74W2+kGb73/W20+tWf8aTeHx57Uy5Gk0V2AYV4CAcRSbe9NIR/76rLHaf/7qTcRbcTryAQyN+A7Z2dnIzj6FI9vmwEfwLF4OEgKNjahM/gZ7uy7EqdIyFJ1cCpe4RXgj+Ro0JMW+FXOwvv4/OFRUhtJLe/BKfQwmrchAh8HPIOhQGjIu1AIASHocO7d3x8xxvuisbkS18igO/jEKXxdeR+n5z/HMwQ3YLLmJzMxM/QrnEokEq1atwqJFi5CUlISkpHQ0Vl9B8sF6jP76FGSlZ7HrmdNYsvlnVHR9HMNDKhGfcUH7PoPmKo78NxNBU4PQ6/dvMT/kAPp89AtKZVdwcjHwQWgMMm7p5iAO/Iaa0Z+hUFaC87uG4uCS7ZBU8M1PNKA8IwrTFpVi+vcfYkrvziB1I6rztmDjCX98mrUZU33K8ePq1Tjq9x7yS2WQFf2AV2q2YW3qFTSBoG6sh7KuEWpS85fHMB3u4PKulQhJ8cFH+SWQFe3DYmxF6EYJbpnodu3HjZh99AltOtklZLxSj9VrfzKfblE3oq4yGTF7uyPiVAlkRQew3CUeL7yRglKNdTlm5e3Thcc20Or9TQ+8dfp3yErzsGd4PuaEbcOvtT0xJPhJHPomExcaCUAjpEeTsN11Asb17Wglf2u2MLQZQXWZr97VAKQ4IFFbsHtL7GSQTnUBu+bPxTc9V+J0URlK8zdjeN5qhMWehrLZ+rNRF4sQ1OVHsH5aJEqnb8OnUwLQ/5UvkL4mCF5r0nFxwwio9q3DpPV1mH3oCmSlF7DvlTqsn7QO+8pV5nX5WAVPn96PctMBT1KjsboOdY2NuJWxCS985o6150sgKz2LrQOOY8Hmn1HBld1SG1BqtPkrG9HIbbCnl2naYJvQWCdHcszP6Brxk7Y+lzsj7oV1UNRrK2L27NlYunQpPvnkE2O5tyTY+MIeeKzNRKmsBOe3PonUBdvxi/tM7E9fAy+vNUi/+C5GucEkb8P2xJ9/cmm9Nl3yKfxhwY9Q+X6smBSD+tmJKJKV4NK+aahfPwcr9klN3gsjqK342ybTuup9zUqbM8QRvYbw+WMXnNq4DJ95vI3zpddRej4KA1Lfw2bJTYDXv+9HeeMF7Jo/Hyl93kN+aRmKTr4KfBCOjRlyXZ4nIakZbebfwevzTqLBPwgh1w8h49xtAIDmyjH897snMHWYl8m7OLfwa2wE5uQFYU9+CWRF/0WI3WUc19uwDnnvfYkT/dcj64epeJyaa2OW+l9L9JEjg8eGZu3bsF3xtReDa1JTU7Fo0SKsWrVKfz+MiIjAune32njvsOYHbb3/WWs/vuhw+VvMD/kePd86hCJZCfL3BCFvTgRif70FOA9FhCRbG1ucOYhtYf0hGD0WQY84GuhorT7Rgv7T+rRiEOYI18cCMHDgAPTzUOCn2Dw8uzMG4U+5aE87/xsRiybAT/gQege+jPBF3tjz3QkUy84g+ZtOePHFkfDq1A72XR/HuMmjUB+fiQLX4XjlpSIkZP6ORjRCmnUIaX3HY/ST3XR5jsK82RPgJ+wJof/TGDO6C+oam7BlyxasWrUKCxYswIgRI7BgwQKsWrUKy5Ytw7IVMQA8MGbeTIT6PQwPYV+MGjNUW5F2D2LwBBGux0tw7g5B8/tJJJwMxHTRgyg6uhepz76CeZP6QejxKAJnLce2t/qgQ61uN8sx/8Hs0H4QejwM/1GjMNqs03DcxuWU9zAt9Af02/QuZvl1Nxi2HYFFEa9g3FB/OgVghgAAIABJREFUCLt6QrQuCbuXPw8/T2d0cnBCD2FHlCsbLDQanvIYJmm6iqNf/4pnF8/GJL+H4dF7GGa9+QHe8umAWqOpcHu4i1ZCsnsZgv084dypE1x6PAjncqXZKtVa/DE94lU87/cwPHr/C7PCZ+GJPWnILGmyQY5BeQX2lm2jKcUvCb8iaPkihA3yhoewL55ftADTf9+L/b/Vw2fUZLx07iAyL9QCdB1ZqSfR98Vn8WTnDvz5q221RR2u8Na7yja7N2unuy+Naq6dQkLqACxf+iIG9X4IQr8JWBTxPH7/4iB+qy5qRueW6GJM4+VkrJs2G1/1ewefzOoLgZ0d7AUucO3mgPbdXPFg90qcSj4AxxcnY5xXF8C+O3zGhWBS/VEcOceF8Hfr0lOZw9unz/G+4E5oUjVChQbcudOEjm798NLHGbiyYRRcrbaBlr8M7Tx9ARY931dXnwux6IljkN/W1gO3U4MZTSrUq5rQcKcO6o7u8HvpI5y78i5G9egOV9duaN++G1wfdILpJJyt+X+Xqfs4wqIfUeFG1n584zgBL47zRid0QFefZzB5EhB/pNDyllZ8/lYDGNbVQ4oz/G2u1rjDt/MZyeOPBVDVNwANd3BH3RFuflPx8blMbBjVA3SD37//lpWBr1MHY/G853V6TsOb22bDp0OD7h1Fy/5di+X23uTWHxOmcg/S9fj9l3ScDJ0I0aMmNVNbgP1flBv0yaH4z+LZGG2YJmgWIuaNx9C+Qhumfv+kPmjitaFVbLjvfPvtt5g+fbrR/TArKwtr17zGq7ex37DmB22///G3H0dc+yUdqUHzsDQsEL09Hobf868iYno5vthfgFp7Vzw2cCAGDvSHx40jiD3xNHZun4enuhm84mC1Pu+h/7Qirf5iPilzsG3+myiYvRkbJz1ydx7dxRMeLtxfHeHu6Qnk34RcehU/K49j/bjH0LNnT/Ts2ROPTNwIaaUStY0PITAkCOcSfsaFhjJkpf6GUfPG4UkHrke4wKmr+bwut1GznZ2d/oiIiIBUKoVUehNAZ/Rw6mLBGPbaPeWuH0LGORkuHt2HkxOfx4hHGiG9WAzvYb4QclkL+mHqG3PwjFC3xVEPJ3S1ybq/4auEaxCO1WDnzgxcVRk2VE94uus6p10H2N/Jw+5lz+HRdp3gLJyMD07c5JHJVx4Dbl/HxQIhhvn20AV97SDo9wLeWPgMhEYXtkNH+xrk7V6O0Y92RydnX0z64KiVL0Rd4e3BBZJ2cHB/CI/iOm7e0tggx6C8fLbR1OJWEYzKZ+fiAW8XOUoUtbATDkbIRG3HbpCeRmr6U5j3/BNwsFYOm21RY6XeO9lm92btdNcimppbKDJq0/Zw8fCEi/QGFKUlzejcEl2MkX51AFeEAyDYmYB9Vy28IN+kwNWfLyJ//XPw0vXRno9MxEdSJSprG3WJ7tZlk8xKn27ge+60h6voNeyY8QeihvSGS6cnMGb5LmTLG5ptAy3FxdsDLlx9OjwAz0eB2ka19Sdi1+F4fUcwFFHj0NvFDT5jViAu+4ZNQa4t+effrNR+AGHRj9RDdvUilPnvYpyXzv49H8fEj86gsrIWFr/94vG32oGLu3Vltc2ZbrBsx+ePe0D0+ruYoYjGkN4PoJPPBCyPOwO5mqy0hVu4duEyCrwD4Mv5UDih39TFWPjMw7p6tuzftfC0d8MH6duXcTT+Aia+OAyPmCasVqBEatwnOzi7wcMwzaMPwd3B1jeb/qQ+eJDXhlax4b6jUCiM9tQFDPfYtcVvWPODLbj/8bYfNWpuKYxl2HWHh7crpCUKVAMAmqDM24H5My5j9p53MMn0nUOr9dnQ8v7TirRuEKa+hh+Xz8fmnuuwPXwwuhm230Yl7ugdcBPqa5WAhwBdurvAG1OxLbsEMplMe1wtQHbeaozp0RnCwDGYeO4gjv10CKnp/fHiiF42FSIxMRFEZH6osq1eZ8c9uez9BknfXMP0l4dBaNcFrp7OuFVWoWsQgHbH98PIq2jp13yDsPLzL7E9+i2EpMfg47Rii46c5Ifx7vhNkAa+g/2lN1BZl4+Eef0spLSRbq7wdKlEWcX/sXfncVFV/QPHP4OA7DAI6KCjCK6AGyCCuYALmqighlq5pfbklmlGZlZqPdliZVqpaZZbPqChmbkSiiumaALiDsrijCwCwgADDNzfHyyCAmql9Dy/8369fL2cOfeec+65Z+79cu695947aUmZMezdG0NmjVFuFfvfn87HKT1YsjcedXYG10Jn1n6TIwBF5BYU31tdm89dLDEzUj9mPlBr28j0MbSAopLSeyfJogJyi82QmxpW+2Ef5NfDB9g/eCh9WzeufzsetS2ob78X83jqaCfjar1Z3xALiimpOvBKFBVoKJabYWpn+4h1fnzK+V+w/rvP+SDgDB98tp/k+w/8eqZYO7Vl+OpT936jqkTio3/m3372D+SnZ17fb7quk6pEKQr6vLWVC1k3uXDsS8ZZHOT5gC85niervw88puLcgnsHXqmI/Ltg2OghR5XSRtj1CeanC0ncuLCfr8eZs/f5l/n0+J2/pXyFmXE9NzLrY25tC8NXE13V/qkkxv9BzL/9qHWspI7jrfF9hcjq63ON76+RYR3HYwns+vLWT2fJuhHHsa9HY7F3FgGfnkBTZ19YwoserbDOuk1mVbCnIzMmnL0xGX/hElHlH9L7+WXdVjZH9+cF31pehm5qRTNFbb/Jv9sj1qeeNsytJdfHlZqa+sDn1Ft1/VF/v7/r/FdX/5Ghb2gERSXcO/QUU5BbhFxuSmMkdMm7CA7agP135VfXHm9/1v/7Udyf1xP25IIwKYvoL+cyMcKLD2Z5YpBxG7Vaze0cbXl6ykF2HE5Bh4Qu+zy7fzqNd4A7Tk5u+Pc8x74Taoxsm6GwbcT1rXPxWRRJugQyZS9eGJfE3Oems3/MCHyVDz/oBgYGMmvWrKqXT1+8eBFfX19Gjx7N6Offqn9lmYI+QUO489ECFl/qg79nU2SY0LaHD003hbEvIR+JUnJ//4HpYzYRm/u4j7WaYmNpgkHLobyzojOhC78lIv3BMKwsM5UL2c70G+RNO6UdZoXxHN575THLqkbfgR4vmLMpJIIEbRlIWfy+9k3GrIslt/oRryyb1AsanPsNoHe7ljQzyyP68DES6sw4ju07TqLSSaDL5Ozu3UR496Z7K+1j5gO1ts0dezxHKdmzdS+xmlKgCNXh3WzX9KRPJ2vAEKXvCMZdms9zk84w5oVe5X+t1bcdj9oW9e73x52PoI52cjC+t4vadmeU61G2/hyLRgJ0KRzecRBNYE862bZ5xDrfT0dmzEF21BOsGdpYYmrgyMh33sIj9DO+jFDXPAnqtcDdvx2H9p3mlpENCoUNja+HMNXnEyJr6bt6DvX/pmuXT/z341BMDCHZvCUuvQYxapAb8rQ8CqRWD+kDALnk5BUDpeRGR7Cjno6Wsn03h1VFQAnZZ/fxU0RbbMwb1/s0V2n89/gpZrA12QgHl2cYNGoQnvI8cgtq+xOqmJycfHSAlBvHgR0xDy0/oHvLep6+M8LBvTc9Dx3ixC0DbBXNsG2cwNapo1kUqa49YKnjeNv6vkIa1dfnapmWo9bjcWk83/v1YOLWZMwdXOk1aDiDPG1Jyy2krJ6+kNXGkxeaHiBk33W0Eki5Z1g7fSbrYnP+0n06Mjsvgl7O56PgT7g0ZgCetrW0rHl7egcUELI1gkRtGUg5xP66m4h6c370PvbY9amnDf/MaGt1gYGBfPzxx1y8eBEoHxkbP348g4e8+og5/H3nv9rP5ya09eyD654wfo7NQUJCpzrJju15BPbpiFXuab6cOo+I/q8zy9uIDLUatTqdHG21suvdn/X/fmpsgZRBzN6f/+IfAvV7cs9k3o7kq+BdaICxrl/d+35CCGcCALM8jr3XD69VTnDsIFe6f8ieid0wMZQxee1C/hjxLN13+uJGHNtv+bB+5/CKIdumePr3R76mMS8HeWH3CKPDr732GidOnMDHx6fqO6VSyebNm6E0lpD+s+tZWw8LjwGMV3zE5vHD6WNX3mQW3lP4+tV/Edi1L/8ZZM7lsNu4rtxEQOvGXPsTzQUmOAXNYelPI5nzxUCOPFcztVHb/sx6aS1Tg0Zx0MWI1Ph8bJs1IS1kGct7LKXfY5dnjff093j1xSl07bWFQebXCUvxYGWof82h8UaO+M3y44upYxl2sCMmqYlobC1omxbC+8t7sCG4N/Ia+ZpjfGwBrl5f4UUc+650ZdGeF3Ezs0BeTz7f1bsBNdvm+OuLmBcxga5dtzOqQx4HjhgzfsMPDLMvn8GtfPTSlTW7hhHUR1F+Mq13OzxZV09b3LtHQK/u/e6ox9rHav862slExrmqze7Ov76ZTIS/D1139KdD3mmO6I1lQ8hg7GXG2NVZ5xv1lKslKfwjRq3xJ/pyF2zqPALIMHAKYOHS3XjNWc3QE8E0MTQibdMipjCf5dOWsuKPSXTvvoMgNzi3/S69129gROvGPHBThWGnh/yma2OK89BJvPT1VNy9dhDomE/U9rv0X7+BZ+RNMP1X3X1A36ofsweuZMoQf/Z7m3IzzZL2fYzrKggz40O853qIVV5wbF863RdtYiRHMJVR57tDGzk/y/yXNjDWvQ87Ah3IjzrErf7L2fmMDbIEQyzSNrFoij7zv5zIwNnuLJkynIH7PTC9mU2T9p0eWv5EN0uSD9dZZQw7T2DtijhGdO/JzqBOcO4wt3ovZ+cIx9r/sq7reJt8pOZy9fa5WvKV1XI8btSWofOf5eux/fDa4YNjfnTF/vZCbmhWd1+wMmL612N4MdCXXv/xxPzyUVJcPyA0wBG9P3dQrWCNxyA/FJ/C+LrOGTJ7BgW/y4Cxr+Lk+jX+SjVHdM1xk9eyLKDf8fH62GPXp542tNbG1bLCo6s8H7q4uFR9p1QqOXlszUPOhZXqOQ4+7vmvtv6DDJMeL/HNvGP4d/Vkx6g25B04j974rwgZZk/a7qUEh9+E8OdxXVOZkRMTwn6hqvYP2Z/1/n6qj22UJhM+ewRrpkVzuYvtEwmYntxriyrnN7kvd5mxOdKhN7B/04moUyPhbDyZhg64e7uiqJpnpAxt5nXOn71MpkFzXNw609qq2hSpOg2ZGUUYVZ8bSKchM1OHWdXcMWVoc7LQGllXzV+SmppKVFQUSqWy2jVwHZrMLHRm9+Y5kbQ5pGuNsKuY20TKOsDrrh9js2MnC72sqtUjl5T4c8TcKMKqXWc8OiowkpXPnZSpM703N4qkJSddi5Hd/fPa3Dc3T+W8S9rG2FpBTo3tAUmrJi7qHInFVrTr3I2O5rc5ceQG5p5d0W18Do+4V1FtHI55ndvTmNIadZPQaVKJPxPLjco8FSYPjgBIBajjTnM2sXI7TVGfOMk1czf6dbG71zHVO5ho/xWdojYyksvEZhri6O5Jp8o868vHxeS+7a2nbWzMaKRVcyk6lqs5hihdutKltbzaD6TmsvqPtB22UGtb1LI/a93vD+9HVeptp/vLK0Orvkx07HVyHvgt1LX/6qtLY0pzT/Fl0El898zDveYETeg0WeRgeW/OnGq/NVNtMqdPxHG3mSf9utjRSJvBtfN/cDHToOY+eOC3WPF7rO83XfWTOMtnHcYQ9+lhNo5sgS4nkejfL6AqsaBVe1dc2tjW+D3U1QckTTLnTseRUmJD5x5dsSevxrGgXAo7JvryZqfNnBqpx9nYTAwd3fDupOCT95cAMGjQoHvHivu3S5dNYvQZYlUlWLRqT2cXR2yM9EDSkHz6JOfuNuOZfp2wbZRPyrkzxKSUYNO5Ox72Mu5ojbCzymBnHeU/0nFE0pJ5LYazFzMxUDrj1sUBq1rmalPvmFX38baufVVnn6tFbcdjSshJPMfvsWpKLJS07+xCG5vK30F9fUGHJiWeMzFJFFu1obNHhzrqWf34XvaQ314pWQcW4PqGnB2/v4WXSZ0T8qHLuUnMuUuoZS1w926PuUYDVtYYae/bF/X2sb+rPnW0YfW2KK38vyX6+fX0l9IH9/OpU6dISUkBICgoiPrPhfefO/gbzn/19R/Kj9eX/iD2ak6N/l0+d1jhfSNTjTCWN8FMl1Pz/FbH/qycC6/W30+NvqZDk3kHrVGTJzeP2FOZCKOGEkkV9oqE0zIp+ulMw/EXaKQb0YelPcuel+Ten0nR+fXPstQwdFJe8mlp02vuFXNLNSBVmDShah4WoU4N2k5aKfGnt6U5W+KlwgYovV5leVLyuS3Sa0onaUJY8lMoMFkKm+BUMS9aQ3ga5f83HW+fgMKbUvShndKyIFfJe9lpKV/UR/iHaYApYmXoGxpiZmHIX5ng+unIJ3Hb24w57MGqH6biVudfLA1JS8LO95hx0o3Vq/rWflPu06JviLGZEYb//B3bsBq0nRrTetSHPM5k7k9NWQI7pyzgZP93WOX74A3+f79GGBobY2Go30Cv+3ka5f83HW+fgMLrbHtlNof7f8QP09z+0quT/ifrIzS4J3c5UhAEQRAEQaiTeIG3IAiCIAhCAxBBmCAIgiAIQgMQQZggCIIgCEIDEEGYIAiCIAhCAxBBmCAIgiAIQgMQQZggCIIgCEIDEEGYIAiCIAhCAxBBmCAIgiAIQgMQQZggCIIgCEIDEEGYIAiCIAhCAxBBmCAIgiAIQgMQQZggCIIgCEIDEEGYIAiCIAhCAxBBmCAIgiAIQgMQQZggCIIgCEIDEEGYIAiCIAhCAxBBmCAIgiAIQgMQQZggCIIgCEIDEEGYIAiCIAhCAxBBmCAIgiAIQgMQQZggCIIgCEIDEEGYIAiCIAhCAxBBmCAIgiAIQgMQQZggCIIgCEIDEEGYIAiCIAhCAxBBmCAIgiAIQgMQQZggCIIgCEIDEEGYIAiCIAhCAxBBmCAIgiAIQgMQQZggCIIgCEIDEEGYIAiCIAhCA9B/YjlrYghdE05KHcnGbqOZ3q9lA0SBEiWJu3jvg0jsX3mHWV42yJ56HR508eJFRo8ejY+PD/Hx8Rw+fPgv5iihS97LB4vCsXma21m53xW+THnBHXn1QsuSObR6G+cKHRg4bSRdzPSAEnJuXCIhqwSM7XHpqMCoap0ytOqrxKvy0bdoSfs2ttXSQNKquRSvolDfilbtW2NjVN6bylIOsTr0HIVVSzbCTOFM9369cVOY/CP2tyAIgiA8nRgoN46Q4KWExGU/leLqVXKNkHdWcLv3ZF7q8c8IwACcnZ05fPgwQUFBf0MABkhqIr5cS/LT3s68BPYGBxM8bRUHU4prJJVd/41PZgUTHPwbCXllIN0l/vuZeDp2wcPDAw+XHgxZHI5aJwFFqCOWMqRdRzw8POjabhDTf4hFIwFI6NThLB7SAxcPDzy6dqXn9M3Ea0rLy0k/x/LgHcTllgESRRkX+XX5S3j0ncMP8XeRnlZbCIIgCEJ9pKdBFSZNwEmaEJb8mCuWSHkZakmdXSiV3Z9UVihlq1WSKiNPKnmMHMtUR6W16w9JCXkPW6tUKsxOk1SqTCmv5IHS6y+jMFtSq9Kk7MLSOvJ8MG3btm2SUqmUAEmpVEpffPFFtdTydqhzWyvaono7lWXHSwcPXZHyHq/qf50qTJoAEjhJz4ckVttvhdKV9UESIMErUpiqRCpN2CQFmvlJ/z6aJpVIpVLh9R+lSfIu0mv7b0tld36T5ndwlSZtuSwVlhVLWVGfSb74SyvO50lSWZoUMb+nJJ/0o3S9UCeVZJ2Ulvk6SD1X/CEVSZJUEr1Mcqooo0pJsrR/vo9kNnCldD7/aTeKIAiCIDyo4e4Jyz3EfHtfPjyVU/FFMcmhUzAf9C1Hd83G+rmFfDl3CApbBQp5NwKXRlSMkEjo1BEsDeyGXGGPva0zA+eGclFTinRjM4Hmz7EmPr8iTx0ZB+bTrtNHnCrQoYn/kRkBY/jXlH44KXyZvrlyZOU+ulQOLR2Nq7wp9vY2KAbOJ/TiXSRKyfh1NuYyGbLq/9xWElMUw0q3djz37hJm9HFGYd8UeedpfF8x8iJpLrDtrZEVeTZF7jqapYdS0QG7du1i1qxZvPXWW0RGRvLWW2/x+uuvs2TJEiRNLJun+6KwVWBv246e03+sGPHJJ2bls5g/t4BPZwxEqbBHIe/J5O/Lt0lmXsKleaN4Y4+qfJtKY1jpZo3byhhKn/CuBVdGBTmxf9dpUirbt+wmx0MTmfTKCzhUfpWdRpymOW0c5Oijh1ELR9pYasjOLyTvfASb7g5j/LC2GMkMkHv6M84vnu1RNynNu8CBTUW8PN4PJ6NG6Mu7MXxcd05uP8X1ujZOX8nAyePpGb6b8Et5T7wFBEEQBOFhGi4IM29P74BsQiIuUQBQlshv3x+h55hncCotJjtsM7+Yz+RUcioJJ+divWEWb4TdoKzkEpumv8Jm+/mcTkgl+cJX9I5ZyKQVp8lv1Z3hPc+yOeIaxQBSCoc2/oLNxAF0uruPN0csRztlGwmqJK7seRHtB1N5c0/KfZenCri6aT4Bm5vx9unrqJJj2Nr7AlMnreZ3Dci9XiUyOpro6GjO/LaKSW0dGPhCD1o30lGce42wA1oG/nAKVfJZNvU7zWtfHSOTIm7s/IQphzry6YUkVKorREzWsnDRr1wthR9//JFx48YxY8YM+vbty4wZM4iKimLRe5PZ8+ZUPtCO52BCKslXtjJZu5wRb+5FLUnoirVowk5xZ+DXXFQlEbfJiwOvfUdkZilIOopzCyksrohKZHJcpyxkiqv8KVyatMFz5AgG7z9IVMUlybLrJwk904thQ5xpVLGUvssQFk26zOfvfc6msBDWf/glW1pPZkpvO+5m3EZtYo2lSUUX1bPBoWsTEm6ko7mbQZLaHFtLo4qcDGnm0AZFQjK388vqrJVeK2f6OCQSl3T3yW26IAiCIDyihgvCZE3x9PfhVkgksQVS+Un6pDfjfFqXV0o+ktdn+eOibI6j9wvMmeXE1v+cIDHxFKG73AieO5bujs1Ruvgz6/WhXP/2AH8UtmbA5H7Ehh7jUrGElHKaXbudGDuwDblRe9nc2J+xg50wxgDztv0YNQJCfrtIjTvVypI5Hvo7PYNnMam7EwplZ4bOmsG467+w94+76Nu0xd3dHfcuttz+dQsn+n/Od3M8sQBAgd+0iQS6tESh7MwAPy80hcXo0MfOZz6RW+Yx3KUFcmNjrJs1Ra7WUChBRkYGXl5eNZrHy8sL6fYZwjYbM3asLw7Geuibt2fwqAFoQ44Qm10RXPmNZ0pgF5SKlrgOGMBATTHFulqG9/Ra0m/mPGY+pYch9Jy8CRgcw66oW0houX58P2fGDMDLvvG9hfQtadlWwfVjB/j1l93s3HuS0lbNaWJcQnrKDXjGEfuqR0eMsLQ1R307h9z0FKJpj6N9ZRCmh4mlNSbqLHLqCcJoZEDjRnUnC4IgCMLT9OSejnyEom09BzDm1udExE7A4vweTg4bzbrWjeE8YN0ChXVl9Yywa9ECLqSRmQ0JWGNlrl+Vj7WiBdYp18nIbUQvbz+GTd3MkUsvIr98kP0DxvDvTgaowi+jubCGwQ7v16zGhHyKqn8uyycrAZpZmVYFKzJrBU7W6cRl5APWIOUQs/oNJsQHcfCnAFrqy0AHYFJjvXv0MNLPI2bL57yx9SciE8DByYYSOlYtkZqaWmON1NRUSmPPcUxzlITB7figRuor5BdJ2AA0s8L8nzjRiJ4S74AuTN91mpTnunA8NJExr3bDTna5YoESVL98yIjNTmw6upWh9o2RCmJZ+8JzvLzGkbVNm8PWVNJLQdEIQMvdjDzkclNMrJviSgSp6UWg0AfKKLibRYHcDNPG9Yzz5WaSmmWG3NTwyW+/IAiCIDxEg56+Zbbd8B+TTcgvm9m++QbjXuiFsvIcWqyhoKhyRKcUbb4GFGaYGBpiQTElVaM9EkUFGoorTsAypScBwxIIPXyAw7tiGDy2F6319DG3toXhq4lWqVCpVKhUqSTG/0HMv/1oVqNS+hhaQFFJ6b3LlEUF5BZXnry1JO9cTNBX9nz33TQ8LB5haEVSsf/96Xyc0oMle+NRZ2dwLXQmTSuSAwMD+fjjj7l48SJQPjI2fvx4/Of8gBNjWB2dVFFnFarEeKJjFuLXrAHj50diiNLbj8H7D3I8PILQM73w92xaLb0IdeIlsj29cK8YHZOZOOLRqzlRcbfRb94Sxe3b3Kkc2ZJyuHUlB5cOzbFq0pz2igxu3amchKKEO7eSUbu0QWlZ1/4oJetMBNtK3PHuKH9SGy0IgiAIj6xhx1BkCvoEDeHORwtYfKkP/p5N792vlHKQHYdT0CGhyz7P7p9O4x3gTpsO3RnlepStP1fcVK9L4fCOg2gCe9JJ3ghkSnxfGMSluS8waX8vXvBVIqMxDu696XnoECduGWCraIZt4wS2Th3Nokh1zXvCGrXCc5SSPVv3EqspBYpQHd7Ndk1P+nSyJDd6DVMnHqf/By/hbZCNWq1GfTsHbX3bWZZN6gUNzv0G0LtdS5qZ5RF9+BgJFcmvvfYaffv2xcXFBZlMhp2dHQkJCew/8D3+Pc+x74QaI9tmKGwbcX3rXHwWRZL+uPMsSBnE7P2ZvTEZT22KBpnSk4DBR3jx2VmcGTMAT9vqgaMRyg5dkIcf5lhSPhISuux4Thy7hXcnB1q69iRAe4SD0ZlISJRcO0pYRFsCuitpZN6e3gE6fjkYQ5YElCRwOKy8fzhUxWD55KTfLt8/Ny5wfPeXzH11O66L/sWzSjESJgiCIDS8Bh5O0cPCYwDjFR+xefxw+tjpU3FdD8zyOPZeP7xWOcGxg1zp/iF7JnbDxAT+9c1kIvx9
Diskusia
Buďte prvý, kto napíše príspevok k tejto položke.




